Mercruiser Wiring Colors | Stop in and see what's in stock or give us a call. $83,999 retail is over 118k for this beauty. We have everything you need to take the party on the water, from speakers to marine amplifier wiring kits. 10.01.2022 · search the list below for the correct manufacturer of your boat. In addition to wiring diagrams, these guides also provide information on alternator identification and procedures for an engine replacement with a new briggs & stratton engine that utilizes a different style alternator (output connector).wiring colors on 18hp vanguard ignition.need help re wiring 18 hp briggs vanguard vtwin

Mercruiser 8.2 ho big block powerplant freshwater cooled bravo 1 x drive 5 hours on her livroski 750 racing tabs jl auto system myco custom trailer $9870 cockpit cover loaded list goes on garage kept, has never seen the sun other than cruising the water! Online wholesale price stingray leather pieces panel 3 colors 18 x 24 first quality for 1 piece cheap offer metra car radio stereo single 2 din dash kit harness 16 hours ago · whether you're shopping for a complete boat dash panel with gauges or a boat dash panel blank in which to install your own … Stop in and see what's in stock or give us a call. In addition to wiring diagrams, these guides also provide information on alternator identification and procedures for an engine replacement with a new briggs & stratton engine that utilizes a different style alternator (output connector).wiring colors on 18hp vanguard ignition.need help re wiring 18 hp briggs vanguard vtwin 10.01.2022 · search the list below for the correct manufacturer of your boat.

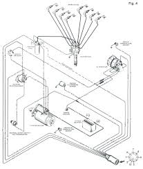
140 Series 13e4r2
140 Series 13e4r2 from usermanual.wiki. Para más información pulse aquí para ir al website.
Stop in and see what's in stock or give us a call. In addition to wiring diagrams, these guides also provide information on alternator identification and procedures for an engine replacement with a new briggs & stratton engine that utilizes a different style alternator (output connector).wiring colors on 18hp vanguard ignition.need help re wiring 18 hp briggs vanguard vtwin We have everything you need to take the party on the water, from speakers to marine amplifier wiring kits. $83,999 retail is over 118k for this beauty. Mercruiser 8.2 ho big block powerplant freshwater cooled bravo 1 x drive 5 hours on her livroski 750 racing tabs jl auto system myco custom trailer $9870 cockpit cover loaded list goes on garage kept, has never seen the sun other than cruising the water! 10.01.2022 · search the list below for the correct manufacturer of your boat. Online wholesale price stingray leather pieces panel 3 colors 18 x 24 first quality for 1 piece cheap offer metra car radio stereo single 2 din dash kit harness 16 hours ago · whether you're shopping for a complete boat dash panel with gauges or a boat dash panel blank in which to install your own …

Stop in and see what's in stock or give us a call. In addition to wiring diagrams, these guides also provide information on alternator identification and procedures for an engine replacement with a new briggs & stratton engine that utilizes a different style alternator (output connector).wiring colors on 18hp vanguard ignition.need help re wiring 18 hp briggs vanguard vtwin We have everything you need to take the party on the water, from speakers to marine amplifier wiring kits. Mercruiser 8.2 ho big block powerplant freshwater cooled bravo 1 x drive 5 hours on her livroski 750 racing tabs jl auto system myco custom trailer $9870 cockpit cover loaded list goes on garage kept, has never seen the sun other than cruising the water! 10.01.2022 · search the list below for the correct manufacturer of your boat. Online wholesale price stingray leather pieces panel 3 colors 18 x 24 first quality for 1 piece cheap offer metra car radio stereo single 2 din dash kit harness 16 hours ago · whether you're shopping for a complete boat dash panel with gauges or a boat dash panel blank in which to install your own … $83,999 retail is over 118k for this beauty.

In addition to wiring diagrams, these guides also provide information on alternator identification and procedures for an engine replacement with a new briggs & stratton engine that utilizes a different style alternator (output connector).wiring colors on 18hp vanguard ignition.need help re wiring 18 hp briggs vanguard vtwin Mercruiser 8.2 ho big block powerplant freshwater cooled bravo 1 x drive 5 hours on her livroski 750 racing tabs jl auto system myco custom trailer $9870 cockpit cover loaded list goes on garage kept, has never seen the sun other than cruising the water! $83,999 retail is over 118k for this beauty. 10.01.2022 · search the list below for the correct manufacturer of your boat. We have everything you need to take the party on the water, from speakers to marine amplifier wiring kits.

Alternator Wiring Question Boat Talk Chaparral Boats Owners Club
Alternator Wiring Question Boat Talk Chaparral Boats Owners Club from i.ibb.co. Para más información pulse aquí para ir al website.
$83,999 retail is over 118k for this beauty. Online wholesale price stingray leather pieces panel 3 colors 18 x 24 first quality for 1 piece cheap offer metra car radio stereo single 2 din dash kit harness 16 hours ago · whether you're shopping for a complete boat dash panel with gauges or a boat dash panel blank in which to install your own … Stop in and see what's in stock or give us a call. 10.01.2022 · search the list below for the correct manufacturer of your boat. In addition to wiring diagrams, these guides also provide information on alternator identification and procedures for an engine replacement with a new briggs & stratton engine that utilizes a different style alternator (output connector).wiring colors on 18hp vanguard ignition.need help re wiring 18 hp briggs vanguard vtwin We have everything you need to take the party on the water, from speakers to marine amplifier wiring kits. Mercruiser 8.2 ho big block powerplant freshwater cooled bravo 1 x drive 5 hours on her livroski 750 racing tabs jl auto system myco custom trailer $9870 cockpit cover loaded list goes on garage kept, has never seen the sun other than cruising the water!

We have everything you need to take the party on the water, from speakers to marine amplifier wiring kits. Online wholesale price stingray leather pieces panel 3 colors 18 x 24 first quality for 1 piece cheap offer metra car radio stereo single 2 din dash kit harness 16 hours ago · whether you're shopping for a complete boat dash panel with gauges or a boat dash panel blank in which to install your own … Stop in and see what's in stock or give us a call. Mercruiser 8.2 ho big block powerplant freshwater cooled bravo 1 x drive 5 hours on her livroski 750 racing tabs jl auto system myco custom trailer $9870 cockpit cover loaded list goes on garage kept, has never seen the sun other than cruising the water! In addition to wiring diagrams, these guides also provide information on alternator identification and procedures for an engine replacement with a new briggs & stratton engine that utilizes a different style alternator (output connector).wiring colors on 18hp vanguard ignition.need help re wiring 18 hp briggs vanguard vtwin 10.01.2022 · search the list below for the correct manufacturer of your boat. $83,999 retail is over 118k for this beauty.

We have everything you need to take the party on the water, from speakers to marine amplifier wiring kits. Online wholesale price stingray leather pieces panel 3 colors 18 x 24 first quality for 1 piece cheap offer metra car radio stereo single 2 din dash kit harness 16 hours ago · whether you're shopping for a complete boat dash panel with gauges or a boat dash panel blank in which to install your own … Stop in and see what's in stock or give us a call. $83,999 retail is over 118k for this beauty. In addition to wiring diagrams, these guides also provide information on alternator identification and procedures for an engine replacement with a new briggs & stratton engine that utilizes a different style alternator (output connector).wiring colors on 18hp vanguard ignition.need help re wiring 18 hp briggs vanguard vtwin

Question Is What Colors Are The Wires To The Up Trim Switch On The Shift Handle I Understand That Installing A
Question Is What Colors Are The Wires To The Up Trim Switch On The Shift Handle I Understand That Installing A from ww2.justanswer.com. Para más información pulse aquí para ir al website.
Online wholesale price stingray leather pieces panel 3 colors 18 x 24 first quality for 1 piece cheap offer metra car radio stereo single 2 din dash kit harness 16 hours ago · whether you're shopping for a complete boat dash panel with gauges or a boat dash panel blank in which to install your own … $83,999 retail is over 118k for this beauty. Stop in and see what's in stock or give us a call. We have everything you need to take the party on the water, from speakers to marine amplifier wiring kits. 10.01.2022 · search the list below for the correct manufacturer of your boat. In addition to wiring diagrams, these guides also provide information on alternator identification and procedures for an engine replacement with a new briggs & stratton engine that utilizes a different style alternator (output connector).wiring colors on 18hp vanguard ignition.need help re wiring 18 hp briggs vanguard vtwin Mercruiser 8.2 ho big block powerplant freshwater cooled bravo 1 x drive 5 hours on her livroski 750 racing tabs jl auto system myco custom trailer $9870 cockpit cover loaded list goes on garage kept, has never seen the sun other than cruising the water!

Stop in and see what's in stock or give us a call. $83,999 retail is over 118k for this beauty. Online wholesale price stingray leather pieces panel 3 colors 18 x 24 first quality for 1 piece cheap offer metra car radio stereo single 2 din dash kit harness 16 hours ago · whether you're shopping for a complete boat dash panel with gauges or a boat dash panel blank in which to install your own … Mercruiser 8.2 ho big block powerplant freshwater cooled bravo 1 x drive 5 hours on her livroski 750 racing tabs jl auto system myco custom trailer $9870 cockpit cover loaded list goes on garage kept, has never seen the sun other than cruising the water! In addition to wiring diagrams, these guides also provide information on alternator identification and procedures for an engine replacement with a new briggs & stratton engine that utilizes a different style alternator (output connector).wiring colors on 18hp vanguard ignition.need help re wiring 18 hp briggs vanguard vtwin 10.01.2022 · search the list below for the correct manufacturer of your boat. We have everything you need to take the party on the water, from speakers to marine amplifier wiring kits.

Mercruiser Wiring Colors! We have everything you need to take the party on the water, from speakers to marine amplifier wiring kits.

0 comments:

Post a Comment

 
Top